
EMI Line Filters for filtering common mode power line noise. In recent times there has been a growing need for energy storage inductors for noise filtering in both mains line filters and DC chokes used in switched-mode power supplies. In mains line filter applications the filtering falls into two categories: common-mode noise and differential-mode noise.
The line filter arrangement consists of two sections bobbin between the mains supply and the equipment. Note that the common-mode filter is wound on a single core and the differential mode filter consists of two indiviual wound cores. The common-mode noise is in relation to ground and is common to both lines. Differential mode noise is the noise between the two lines. Both types of noise are usually present to varying degrees.
DeMint EMI line filters (TCUU) series common mode choke coils are used in a wide range of prevention of radio frequency interference (RFI) and electromagnetic interference (EMI) from power supply lines and for prevention of multifunctioning of products such as measuring equipment and system equipment. Features wide range of selection, high impedance at applicable frequency, and high self-resonant frequency.
The (TCUU) series is designed to reduce stray capacity between windings by using a single-layer coil and two sections bobbin construction on high permeability ferrite core, which offer excellent high frequency characteristics. This series provides excellent noise suppression for high frequency ranges including the FM band. This filter can also be used as a signal line with excellent withstanding voltage, since the windings are divided into two sections.
DeMint is equipped to design and produce custom components to meet many design and reliability demands. Custom parts are available on request. DeMint will also produce devices outside these specifications to meet specific customer requirements, please contact our sales for more information.
Download complete specification (TCUU) PDF (499KB).
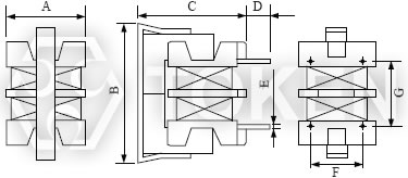
| Configurations & Dimensions (Unit: mm) (TCUU98V) | ||||||||
|
||||||||
| Type | A (max) | B (max) | C (max) | D | E | F | G | |
| TCUU98V | 11.0 | 16.5 | 16.5 | 3.5 | Φ0.6 | 7.0 | 8.0 | |
Note: Design as Customer's Requested Specifications.
| Electrical Characteristics (TCUU98V) at 25°C | ||||
| Part Number | Inductance (mH)(min) |
Inductance Balance (µH max) |
DCR (Ω)(max) |
IDC (A)(max) |
| TCUU98V-471 | 0.47 | 25 | 0.15 | 1.00 |
| TCUU98V-681 | 0.68 | 25 | 0.25 | 0.85 |
| TCUU98V-102 | 1.0 | 50 | 0.35 | 0.70 |
| TCUU98V-222 | 2.2 | 50 | 0.7 | 0.50 |
| TCUU98V-392 | 3.9 | 100 | 1.20 | 0.38 |
| TCUU98V-472 | 4.7 | 100 | 1.60 | 0.34 |
| TCUU98V-682 | 6.8 | 150 | 2.50 | 0.25 |
| TCUU98V-103 | 10.0 | 200 | 4.00 | 0.20 |
Note: Test Freq.: 1.0kHz
Allowable Current : D.C. Current When Temperature of Coil Increased up to 40°C .(Ta=25°C )
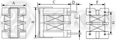
| Configurations & Dimensions (Unit: mm) (TCUU98H) | |||||||
|
|||||||
| Type | A (max) | B (max) | C (max) | D | E | F | |
| TCUU98H | 15.5 | 16.5 | 12.5 | Φ0.6 | 7.0 | 8.0 | |
Note: Design as Customer's Requested Specifications.
| Electrical Characteristics (TCUU98H) at 25°C | ||||
| Part Number | Inductance (mH)(min) |
Inductance Balance (µH max) |
DCR (Ω)(max) |
IDC (A)(max) |
| TCUU98H-471 | 0.47 | 25 | 0.15 | 1.00 |
| TCUU98H-681 | 0.68 | 25 | 0.25 | 0.85 |
| TCUU98H-102 | 1.0 | 50 | 0.35 | 0.70 |
| TCUU98H-222 | 2.2 | 50 | 0.7 | 0.50 |
| TCUU98H-392 | 3.9 | 100 | 1.20 | 0.38 |
| TCUU98H-472 | 4.7 | 100 | 1.60 | 0.34 |
| TCUU98H-682 | 6.8 | 150 | 2.50 | 0.25 |
| TCUU98H-103 | 10.0 | 200 | 4.00 | 0.20 |
Note: Test Freq.: 1.0kHz
Allowable Current : D.C. Current When Temperature of Coil Increased up to 40°C .(Ta=25°C )
| Configurations & Dimensions (Unit: mm) (TCUU10) | ||||||||
|
||||||||
| Type | A (max) | B (max) | C (max) | D | E | F | G | |
| TCUU10 | 17.0 | 18.5 | 23.0 | 4.0 | Φ0.7 | 10.0 | 13.0 | |
Note: Design as Customer's Requested Specifications.
| Electrical Characteristics (TCUU10) at 25°C | ||||
| Part Number | Inductance (mH)(min) |
Inductance Balance (µH max) |
DCR (Ω)(max) |
IDC (A)(max) |
| TCUU10-332 | 3.3 | 100 | 0.71 | 0.65 |
| TCUU10-682 | 6.8 | 200 | 1.26 | 0.435 |
| TCUU10-123 | 12.0 | 360 | 2.20 | 0.34 |
| TCUU10-223 | 22.0 | 440 | 3.64 | 0.25 |
| TCUU10-333 | 33.0 | 660 | 5.74 | 0.20 |
| TCUU10-513 | 51.0 | 1000 | 9.12 | 0.15 |
Note: Test Freq.: 1.0kHz
Allowable Current : D.C. Current When Temperature of Coil Increased up to 40°C .(Ta=25°C )
| Configurations & Dimensions (Unit: mm) (TCUU16) | ||||||||
|
||||||||
| Type | A (max) | B (max) | C (max) | D | E | F | G | |
| TCUU16 | 22.0 | 20.0 | 28.5 | 4.5 | Φ0.7 | 10.0 | 13.0 | |
Note: Design as Customer's Requested Specifications.
| Electrical Characteristics (TCUU16) at 25°C | ||||
| Part Number | Inductance (mH)(min) |
Inductance Balance (µH max) |
DCR (Ω)(max) |
IDC (A)(max) |
| TCUU16-152 | 1.5 | 40 | 0.125 | 1.90 |
| TCUU16-402 | 4.0 | 60 | 0.27 | 1.20 |
| TCUU16-802 | 8.0 | 80 | 0.46 | 0.90 |
| TCUU16-203 | 20.0 | 150 | 1.60 | 0.50 |
| TCUU16-303 | 30.0 | 200 | 2.50 | 0.40 |
Note: Test Freq.: 1.0kHz
Allowable Current : D.C. Current When Temperature of Coil Increased up to 40°C .(Ta=25°C )
| Configurations & Dimensions (Unit: mm) (TCUT20) | ||||||||
|
||||||||
| Type | A (max) | B(max) | C(max) | D | E | F | G | |
| TCUT20 | 17.2 | 22.0 | 22.5 | 4.5 | Φ0.8 | 10.0 | 13.0 | |
Note: Design as Customer's Requested Specifications.
| Electrical Characteristics (TCUT20) at 25°C | ||||
| Part Number | Inductance (mH)(min) |
Inductance Balance (µH max) |
DCR (Ω)(max) |
IDC (A)(max) |
| TCUT20-222 | 2.2 | 150 | 0.24 | 1.30 |
| TCUT20-392 | 3.9 | 150 | 0.41 | 1.00 |
| TCUT20-103 | 10.0 | 550 | 1.00 | 0.60 |
| TCUT20-183 | 18.0 | 600 | 1.63 | 0.50 |
| TCUT20-223 | 22.0 | 800 | 2.04 | 0.40 |
| TCUT20-333 | 33.0 | 800 | 3.42 | 0.30 |
Note: Test Freq.: 1.0kHz
Allowable Current : D.C. Current When Temperature of Coil Increased up to 40°C .(Ta=25°C )
| Configurations & Dimensions (Unit: mm) (TCET24B) | ||||||||
|
||||||||
| Type | A (max) | B(max) | C(max) | D | E | F | G | |
| TCET24B | 18.5 | 25.5 | 31.0 | 4.0 | Φ0.8 | 10.0 | 13.0 | |
Note: Design as Customer's Requested Specifications.
| Electrical Characteristics (TCET24B) at 25°C | ||||
| Part Number | Inductance (mH)(min) |
Inductance Balance (µH max) |
DCR (Ω)(max) |
IDC (A)(max) |
| TCET24B-252 | 2.5 | 100 | 0.13 | 2.00 |
| TCET24B-352 | 3.5 | 150 | 0.18 | 1.70 |
| TCET24B-452 | 4.5 | 200 | 0.21 | 1.50 |
| TCET24B-103 | 10.0 | 300 | 0.47 | 1.00 |
| TCET24B-153 | 15.0 | 400 | 0.73 | 0.80 |
| TCET24B-203 | 20.0 | 600 | 0.87 | 0.70 |
| TCET24B-353 | 35.0 | 800 | 1.58 | 0.60 |
Note: Test Freq.: 1.0kHz
Allowable Current : D.C. Current When Temperature of Coil Increased up to 40°C .(Ta=25°C )
| Configurations & Dimensions (Unit: mm) (TCET24H) | ||||||||
|
||||||||
| Type | A (max) | B(max) | C(max) | D | E | F | G | |
| TCET24H | 18.5 | 25.5 | 31.0 | 4.0 | Φ0.8 | 10.0 | 13.0 | |
Note: Design as Customer's Requested Specifications.
| Electrical Characteristics (TCET24H) at 25°C | ||||
| Part Number | Inductance (mH)(min) |
Inductance Balance (µH max) |
DCR (Ω)(max) |
IDC (A)(max) |
| TCET24H-252 | 2.5 | 100 | 0.13 | 2.00 |
| TCET24H-352 | 3.5 | 150 | 0.18 | 1.70 |
| TCET24H-452 | 4.5 | 200 | 0.21 | 1.50 |
| TCET24H-103 | 10.0 | 300 | 0.47 | 1.00 |
| TCET24H-153 | 15.0 | 400 | 0.73 | 0.80 |
| TCET24H-203 | 20.0 | 600 | 0.87 | 0.70 |
| TCET24H-353 | 35.0 | 800 | 1.58 | 0.60 |
Note: Test Freq.: 1.0kHz
Allowable Current : D.C. Current When Temperature of Coil Increased up to 40°C .(Ta=25°C )
| Configurations & Dimensions (Unit: mm) (TCET28B) | ||||||||
|
||||||||
| Type | A (max) | B(max) | C(max) | D | E | F | G | |
| TCET28B | 22.0 | 31.0 | 35.5 | 4.0 | Φ0.8 | 10.0 | 13.0 | |
Note: Design as Customer's Requested Specifications.
| Electrical Characteristics (TCET28B) at 25°C | ||||
| Part Number | Inductance (mH)(min) |
Inductance Balance (µH max) |
DCR (Ω)(max) |
IDC (A)(max) |
| TCET28B-182 | 1.8 | 100 | 0.072 | 2.60 |
| TCET28B-682 | 6.8 | 200 | 0.23 | 1.60 |
| TCET28B-123 | 12.0 | 400 | 0.38 | 1.20 |
| TCET28B-223 | 22.0 | 500 | 0.65 | 1.00 |
| TCET28B-393 | 39.0 | 700 | 1.43 | 0.70 |
| TCET28B-683 | 68.0 | 850 | 1.82 | 0.60 |
Note: Test Freq.: 1.0kHz
Allowable Current : D.C. Current When Temperature of Coil Increased up to 40°C .(Ta=25°C )
| Configurations & Dimensions (Unit: mm) (TCET28H) | ||||||||
|
||||||||
| Type | A (max) | B(max) | C(max) | D | E | F | G | |
| TCET28H | 30.0 | 30.0 | 23.5 | 3.5 ± 0.5 | Φ0.8 ±0.1 | 24.0 ± 0.5 | 20.0 ± 0.5 | |
Note: Design as Customer's Requested Specifications.
| Electrical Characteristics (TCUU98V) at 25°C | ||||
| Part Number | Inductance (mH)(min) |
Inductance Balance (µH max) |
DCR (Ω)(max) |
IDC (A)(max) |
| TCET28H-182 | 1.8 | 100 | 0.072 | 2.60 |
| TCET28H-682 | 6.8 | 200 | 0.23 | 1.60 |
| TCET28H-123 | 12.0 | 400 | 0.38 | 1.20 |
| TCET28H-223 | 22.0 | 500 | 0.65 | 1.00 |
| TCET28H-393 | 39.0 | 700 | 1.43 | 0.70 |
| TCET28H-683 | 68.0 | 850 | 1.82 | 0.60 |
Note: Test Freq.: 1.0kHz
Allowable Current : D.C. Current When Temperature of Coil Increased up to 40°C .(Ta=25°C )
| Order Codes (TCUU98V, TCUU98H, TCUU10, TCUU16) | ||||||||||||||||||||||||||||
| TCUU98V | 471 | D | P | |||||||||||||||||||||||||
![]() | ![]() | ![]() | ![]() | |||||||||||||||||||||||||
|
|
|
|
|||||||||||||||||||||||||
| (TCUT20, TCET24B, TCET24H, TCET28B, TCET28H) Order Codes | ||||||||||||||||||||||
| TCUT20 | 222 | P | ||||||||||||||||||||
![]() | ![]() | ![]() | ||||||||||||||||||||
|
|
|
||||||||||||||||||||