
Non-Inductance MELF offer greater choice for high frequency applications.
The high frequency RFM speciality series of non-inductance MELF resistor from DeMint Electronics has been extended to offer more than GHz operation, making the devices more suitable for high frequency RF applications.
They are the perfect choice in high frequency circuit designs where the parasitic inductance of regular, helical trimmed resistors can not be accepted, but where also pulse energies apply. Typical applications are in the fields of telecommunication equipment and industrial electronics.
These high stability, non-inductance MELF resistors have a footprint very close to comparable chip resistors but maintain their tolerance and deliver higher stability over a wider temperature range. Sizes range from 5.7 x 2.1mm for the RFM74 MELF-0207, through 3.45 x 1.3mm for the RFM73 MELF-0204 down to 2.2 x 1.3mm for the RFM72 MELF-0102.
Production is strictly controlled and follows and extensive set of instructions established for reproducibility. The groove on the metal alloy film of high grade ceramic rod is special designed to achieve non inductance. The resistor elements are covered by a protective coating designed for mechanical, electrical and climatic protection.
The terminations are covered with a final pure tin plating for keeping perfect solderability. Four or five color code rings designate the resistance value and tolerance in accordance with IEC 60062.
DeMint's RFM MELF standard series can be a replacement for Vishay, IRC, EBG, KAO, Panasonic Precision Devices with more competitive price and short lead time. Contact us with your specific needs. Download PDF Specification High Frequency Non-Inductance Melf Resistors (RFM).
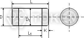
| Dimensions & Recommended Soldering Bath Dimensions (RFM) | ||||||
|
||||||
| Type | RFM72 | RFM73 | RFM74 | RFM75 | ||
| Metric sizes | DIN: 0102 | DIN: 0204 | DIN: 0207 | DIN: 0207 | ||
| Dimension (Unit: mm) | L±0.2 | 2.2 | 3.45 | 5.7 | 6.0 | |
| L1±0.2 | 1.2 | 1.6 | 3.0 | 3.3 | ||
| D±0.2 | 1.3 | 1.3 | 2.1 | 2.1 | ||
| K±0.1 | 0.4 | 0.8 min | 1.2 min | 1.2 min | ||
| D1±0.1 | D+0/D-0.15 | D+0/D-0.25 | D+0/D-0.3 | D+0/D-0.3 | ||
| Recommended Soldering Bath Dimension (Unit: mm) |
S | 1.0 | 1.6 | 2.6 | 2.8 | |
| W | 2.0 | 2.0 | 2.5 | 2.5 | ||
| H | 2.0 | 2.5 | 2.5 | 2.5 | ||
| Characteristics (RFM) | |||||
| Type | RFM72 | RFM73 | RFM74 | RFM75 | |
| Metric sizes | DIN: 0102 | DIN: 0204 | DIN: 0207 | DIN: 0207 | |
| Resistance range | 25Ω ~ 200Ω | ||||
| Operating Temperature range | -55°C ~ 125°C | ||||
| Resistance Tolerance (%) | D(±0.5); F(±1.0); J(±5.0) | ||||
| Temperature coefficient (PPM/°C) | C1(±100); C2(±50); C3(±25); C5(±15); C6(±10) | ||||
| Rated dissipation (W) P70 | 0.125 | 0.25 | 0.5 | 0.75 | |
| Operating mode | standard | standard | standard | power | |
| Climatic category (LCT/UCT/days) | 55/125/56 | 55/125/56 | 55/155/56 | 55/155/56 | |
| Endurance, Max, resistance change at P70, ΔR/R max., after 1000h |
≤0.5% for Tol.=±1% & ≤1% for Tol.=±5% | ||||
| Derating | standard type linear from 70°C to 125°C | ||||
| Insulation voltage | 500V | ||||
| Insulation resistance | >1GΩ | ||||
| Order Codes (RFM) | |||||||||||||||||||||||||||||||||||||||
| RFM73 | 100R | F | C3 | TR | |||||||||||||||||||||||||||||||||||
![]() |
![]() |
![]() |
![]() |
![]() |
|||||||||||||||||||||||||||||||||||
|
|
|
|
|
|||||||||||||||||||||||||||||||||||