Precision Melf Resistors (RJM)

(RJM) professional thin film MELF resistors (Cylindrical Resistors) are the perfect choice for most fields of modern professional electronics where reliability and stability is of major concern.

(RJM) resistors combine the proven reliability of professional MELF products with a most advanced level of precision and stability first achieved with axial thin film high precision resistors.

This unique combination makes the product perfectly suited for all applications with outstanding requirements towards reliable precision and stability. The typical applications in the fields of telecommunication, automotive and medical equipment reflect the outstanding level of proven reliability.

DeMint's (RJM) equate Vishay, Ohmite, Caddock, IRC, EBG, KOA, Panasonic Precision MELF with more competitive price and fast delivery. Contact us with your specific needs. Download PDF Specification

Precision Melf Resistor.

Features :
  1. DIN: 0102, 0204, 0207, 0411.
  2. Pure Sn termination on Ni barrier layer.
  3. Very high ratio of performance to price.
  4. High precision tolerance down to ± 0.05 %.
  5. Force fitted steel caps, tin plated on nickel barrier.
  6. Superior overall stability, most advanced thin film technology.
  7. TCR down to ± 5ppm/°C, wide resistance range: 0.1Ω to 22MΩ.
  8. Compatible with lead (Pb)-free and lead containing soldering processes.
Applications :
  1. Measuring and calibration equipment.
  2. Industrial process control systems.
  3. Space and aircraft electronics.
  4. Test and measurement.
  5. Medical electronics.
  6. Telecom.
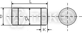
Dimensions & Recommended Soldering Bath Dimensions (RJM)
Precision Melf (RJM) Dimensions
Precision Melf (RJM) Dimensions
Recommended Soldering Bath (RJM) Dimensions
Recommended Soldering Bath (RJM) Dimensions
Type RJM72P RJM73P RJM73M RJM74S RJM74P RJM16M RJM17M RJM18M
Metric type DIN: 0102 DIN: 0204 DIN: 0207 DIN: 0309 DIN: 0411
Dimension (Unit: mm) L(±0.3) 2.0 3.5 3.5 5.7 6.0 8.7 11.8
D(±0.3) 1.25 1.3 1.3 2.1 2.1 3.1 3.6
K(±0.2) ≥0.4 ≥0.6 ≥0.6 ≥0.6 ≥0.6 ≥1.0 ≥1.0
D1(±0.1) ≥D-0.1 ≥D-0.2 ≥D-0.2 ≥D-0.3 ≥D-0.3 ≥D-0.4 ≥D-0.4
Recommended Soldering Bath
Dimensions (Unit: mm)
S 1.3 1.5 1.5 2.8 3.2 5.6 8.2
W 2.0 1.6 3.0 3.0 3.5 4.0 5.0
H 1.3 1.6 3.0 3.0 3.5 4.0 5.0
Characteristics (RJM)
Type RJM72P RJM73P RJM73M RJM74S RJM74P RJM16M RJM17M RJM18M
Metric type DIN: 0102 DIN: 0204 DIN: 0207 DIN: 0309 DIN: 0411
Rated dissipation (W)   P70 0.125W 0.25W 0.5W 0.25W 0.50W 1.0W 2.0W 3.0W
Resistance range (Ω) 10 ~ 1M 10 ~ 10M
Resistance tolerance (%) J ( ±5 ); F ( ±1 ); D ( ±0.5 ); C ( ±0.25 ); B ( ±0.10 ); A5 ( ±0.05 )
Temperature coefficient (ppm/°C) C1 ( ±100 ); C2 ( ±50 ); C3 ( ±25 ); C5( ±15 ); C6 ( ±10 ); C7 ( ±5 )
Climatic category (LCT/UCT/days) 55 / 125 / 56
Operating voltage   Umax 150V 200V 250V 250V 300V 350V 400V 450V
Temperature range -55°C to 125°C
Insulation voltage (V) 300 500 500 500 600 700 800 900
Insulation resistance >1GΩ
Notice: Resistance out of range, tolerance and temperature coefficient match are under request.
Order Codes (RJM)
RJM74P 10R D C6 P
Part Number
RJM72P
RJM73P
RJM73M
RJM74S
RJM74P
RJM16M
RJM17M
RJM18M
Resistance Value (Ω)
0R1 0.1Ω
10R 10Ω
100R 100Ω
1K 1KΩ
10K 10KΩ
100K 100KΩ
1M 1MΩ
10M 10MΩ
Resistance Tolerance (%)
J ±5%
F ±1%
D ±0.5%
C ±0.25%
B ±0.10%
A5 ±0.05%
Temperature coefficient (PPM/°C)
C1 ±100ppm/°C
C2 ±50ppm/°C
C3 ±25ppm/°C
C5 ±15ppm/°C
C6 ±10ppm/°C
C7 ±5ppm/°C
Package
P Bulk
TR Taping Reel