| Package Dimensions (Unit: mm) (DCC6C) | |||||||
|
|||||||
| Type | A | B | C | D | E | F | |
| DCC6C | 0.6 | 1.5 | 0.75 | 1.3 | 3.0 | 3.0 | |
| Package Dimensions (Unit: mm) (ARC11A) | |||||||||
|
|||||||||
| Type | A | B | C | D | E | F | G | H | |
| ARC11A | 11.0 | 1.5 | 1.1 | 0.7 | 2.54 | 1.27 | 4.0 | 1.5 | |
| Package Dimensions (Unit: mm) (F11SMD) | ||||||||
|
||||||||
| Type | A | B | C | D | E | F | G | |
| F11SMD | 11.0 | 4.5 | 2.45 | 0.6 | 3.4 | 3×2.54 | 4.1 | |
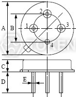
| Package Dimensions (Unit: mm) (TO-39) | ||||||
|
||||||
| Type | A | B | C | D | E | |
| TO-39 | Φ9.15 | Φ5.08 | 3.3 | Φ0.45 | 3.0 | |
| Package Dimensions (Unit: mm) (F-11) | |||||||
|
|||||||
| Type | A | B | C | D | E | F | |
| F-11 | 11.0 | 4.5 | 3.4 | Φ0.5 | 5.0 | 3×2.54 | |
| Package Dimensions (Unit: mm) (D-11) | |||||||
|
|||||||
| Type | A | B | C | D | E | F | |
| D-11 | 8.36 | 3.45 | 3.0 | Φ0.45 | 3.0 | 2×2.54 | |
| Package Dimensions (Unit: mm) (SIP5T) | ||||||||
|
||||||||
| Type | A | B | C | D | E | F | G | |
| SIP5T | 13.8 | 0.55 | 4×2.54 | 2.6 | 4.8 | 3.5 | 0.25 | |
| Package Dimensions (Unit: mm) (TO39-2) | ||||||
|
||||||
| Type | A | B | C | D | E | |
| TO39-2 | 9.35±0.10 | 5.08±0.10 | 3.40±0.10 | 3.00±0.20 | 4-Φ0.45±0.20 | |