| Saw Resonators & Filters Encapsulation Type | |||
| SMD Type | DIP Type | ||
| Package Type | Code | Package Type | Code |
| SMP-03 | S1 | TO-39 | D1 |
| SMP-53 | S2 | F-11 | D2 |
| SMP-53-S | S3 | D-11 | D3 |
| QCC8C | S4 | SIP5T | D4 |
| QCC4A | S5 | TO39-2 | D5 |
| QCC8B | S6 | ||
| DCC6 | S7 | ||
| QCC8D | S8 | ||
| DCC6C | S9 | ||
| ARC11A | S10 | ||
| F11SMD | S11 | ||
| Package Dimensions (Unit: mm) (SMP-03) | ||||||||
|
||||||||
| Type | A | B | C | D | E | F | G | |
| SMP-03 | 7.0 | 5.0 | 2.54 | 1.27 | 1.0 | 0.6 | 1.5 | |
| Package Dimensions (Unit: mm) (SMP-53) | |||||||
|
|||||||
| Type | A | B | C | D | E | F | |
| SMP-53 | 13.3 | 6.5 | 2.54 | 1.5 | 0.8 | 1.5 | |
| Package Dimensions (Unit: mm) (SMP-53-S) | |||||||
|
|||||||
| Type | A | B | C | D | E | F | |
| SMP-53-S | 13.3 | 6.5 | 1.91 | 1.02 | 1.8 | 1.55 | |
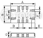
| Package Dimensions (Unit: mm) (QCC8C) | ||||||||
|
||||||||
| Type | A | B | C | D | E | F | G | |
| QCC8C | 2.08 | 0.6 | 2.54 | 1.2 | 1.4 | 5.0 | 5.0 | |
| Package Dimensions (Unit: mm) (QCC4A) | |||||||
|
|||||||
| Type | A | B | C | D | E | F | |
| QCC4A | 1.2 | 0.8×3 | 0.5×4 | 1.4 | 5.0 | 3.5 | |
| Package Dimensions (Unit: mm) (QCC8B) | ||||||||
|
||||||||
| Type | A | B | C | D | E | F | G | |
| QCC8B | 1.27 | 0.6 | 2.54 | 1.0 | 1.5 | 3.8 | 3.8 | |
| Package Dimensions (Unit: mm) (DCC6) | ||||||||
|
||||||||
| Type | A | B | C | D | E | F | G | |
| DCC6 | 0.64 | 1.9 | 1.27 | 1.0 | 1.4 | 3.8 | 3.8 | |
| Package Dimensions (Unit: mm) (QCC8D) | |||||||
|
|||||||
| Type | A | B | C | D | E | F | |
| QCC8D | 1.2 | 0.6 | 0.75 | 1.1 | 3.0 | 3.0 | |