LTZ 系列 - 调幅陶瓷滤波器

调幅陶瓷滤波器 (LTZ)

德铭特电子 LTZ 调幅用系列是设计用来搭配满足标准 AM 滤波的需求,主要应用在低单价的产品上,使之更经济、更有成效的设计。

德铭特生产的陶瓷滤波器、谐振器、鉴频器等压电陶瓷产品符合 RoHS 标准,可依客户的需求制造,若需特殊规格型式,请与德铭特电子业务联系。

下载 PDF 版本: 调幅陶瓷滤波器 (LTZ)

特性 :
  1. 小体积尺寸(单位 mm):7.0 × 9.0 × 6.5。
  2. 中心频率 (fo) (KHz) 455.5±2.0。
  3. 插入损耗 (dB) 7。
  4. 双片件直接连接型结构。
  5. 与 Murata SFZ 系列相容。
LTZ 调幅系列 外形尺寸(单位: mm)
LTZ 系列 - 调幅陶瓷滤波器 尺寸图
LTZ 系列 - 调幅陶瓷滤波器 尺寸图
LTZ 调幅系列 技术特性
LTZ 系列 - 特性曲线
LTZ 系列 - 特性曲线
型 号 中心频率 (fo) (KHz) 3 分贝带宽 (KHz) 离谐选择性 9KHz off (dB) min 插入损耗 (dB) 结 构
LTZ455HL 455.5±2.0 4.0±1 23 7 双片件直接连接型
LTZ455JL 456.0±2.0 5.5±1 18 7
中心频率可以根据需要在 450 - 470 KHz 范围内选择。标称频率公差±2 KHz。
LTZ 调幅系列 推荐中频变压器(7mm 正方形)
项 目 LTZ455HL/JL
绕组规格

底视图
一~二 二~③ 四~⑥
68T 84T 14T
空载Q值 90
调谐电容量 108PF
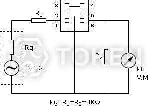
LTZ 调幅系列 测试电路
LTZ 系列 - 测试电路
LTZ 系列 - 测试电路
LTZ 调幅系列 料号标识
LTZ455HL P
型 号
包装方式