
目前业界的片式固定绕线电感器以芯体主要分为两大类工艺,第一种工艺制程:通常采用微小工字型磁芯,经绕线、焊接、电极成型,塑封等工序制成,这种类型片式电感器的优点:生产工艺间单,电性能优良(电感值 L,和品质因素 Q 均高),这于大电流通过,可靠性良好等;缺点是受磁芯物理尺寸和制造工艺限制,进一步微小型化比较困难。
第二种工艺制程:是采用 H 型(或 Ⅱ 型)陶瓷芯,经过绕线、焊接、涂复、环氧树脂封装等工艺制成。由于电极已预制在陶瓷芯体上,制造工艺更为间单,而且可进一步微小型化。德铭特贴片开放式 (TRWL) 超薄高电流电感器系列,就是采取这种结构设计的片式绕线电感器。片式 (TRWL) 的优点:高共振频率的陶瓷体线绕结构,超小体积电感,可提供较高的 Q 值、超薄型,高电流,可用于自动化组配、极佳抗机械振动和耐挤压,误差值±2%。
德铭特电子 (TRWL) 主要产品品种有标准型:TRWL02 (EIA 0402)、TRWL03 (EIA 0603)、TRWL05 (EIA 0805)、TRWL06 (EIA 1206)、和 TRWL08 (EIA 1008)。超薄型有:TRWL05 (EIA 0805)、和 TRWL08 (EIA 1008) 两款。高电流型:TRWL03 (EIA 0603)。高 Q 值型:TRWL05 (EIA 0805)、和 TRWL03 (EIA 0603) 两款。款式多洋,自谐频率高,这合工程人员选配最佳的高频片式线绕电感器。
德铭特超薄贴片绕线电感 (TRWL) 系列,广泛使用在移动电话(CDMA/GSM/PHS)、无线电话 (DECT/CT1CT2)、遥控装置、安全保卫系统、无线自动控制、TCWLL、无线局域网/鼠标/键盘/耳机、VCO、RF模组及无线产品、基地台、 GPS 接收台、CATV 滤波器、调谐器、机顶盒、USB2.0、IEEE 1394 上。
下载 PDF 版本: 贴片大电流绕线超薄电感器 (TRWL)。
| TRWL 系列 - 结构及尺寸 | |||||||||||
|
|||||||||||
| 型号 | A Max. |
B Max. |
C Max. |
D Ref. |
E | F | G | H | I | J | |
| 常规型 | |||||||||||
| TRWL02 (EIA 0402) | 1.27 | 0.76 | 0.61 | 0.15 | 0.51 | 0.23 | 0.56 | 0.66 | 0.50 | 0.46 | |
| TRWL03 (EIA 0603) | 1.80 | 1.12 | 1.02 | 0.38 | 0.76 | 0.33 | 0.86 | 1.02 | 0.64 | 0.64 | |
| TRWL05 (EIA 0805) | 2.29 | 1.73 | 1.52 | 0.51 | 1.27 | 0.44 | 1.02 | 1.78 | 1.02 | 0.76 | |
| TRWL06 (EIA 1206) | 3.56 | 2.16 | 1.52 | 0.50 | 1.20 | 0.50 | 2.20 | 1.93 | 1.02 | 1.78 | |
| TRWL08 (EIA 1008) | 2.92 | 2.79 | 2.03 | 0.65 | 2.03 | 0.51 | 1.52 | 2.54 | 1.02 | 1.27 | |
| 超薄型 | |||||||||||
| TRWL05 (EIA 0805) | 2.29 | 1.73 | 1.03 | 0.51 | 1.27 | 0.44 | 1.02 | 1.78 | 1.02 | 0.76 | |
| TRWL08 (EIA 1008) | 2.92 | 2.79 | 1.40 | 0.65 | 2.03 | 0.51 | 1.52 | 2.54 | 1.02 | 1.27 | |
| 高电流/高 Q 型 | |||||||||||
| TRWL03 (EIA 0603) | 1.80 | 1.12 | 1.02 | 0.38 | 0.76 | 0.33 | 0.86 | 1.02 | 0.64 | 0.64 | |
| TRWL05 (EIA 0805) | 2.29 | 1.73 | 1.52 | 0.51 | 1.27 | 0.44 | 1.02 | 1.78 | 1.02 | 0.76 | |
| TRWL08 (EIA 1008) | 2.92 | 2.79 | 2.03 | 0.65 | 2.03 | 0.51 | 1.52 | 2.54 | 1.02 | 1.27 | |
| 注: 0603 / 0805 / 1206 / 1008 系列 (0402 系列不用色码标识) 因尺寸小,故用颜色点标识电感值,每个系列的电感值,都可根据其颜色点识别它的电感值。 | |||||||||||
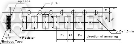
| TRWL 系列 - 包装数量及卷装规格(单位: mm) | ||||||||||||||
|
|
|||||||||||||
| TRWL 系列 - 内衬塑胶带规格(Unit: mm) | |||||||||||
|
|||||||||||
| 产品型号 | A ±0.10 |
B ±0.10 |
W ±0.2 |
E ±0.10 |
F ±0.1 |
P0 ±0.10 |
P1 ±0.10 |
P2 ±0.05 |
ΦD0 +0.10 |
t ±0.05 |
|
| TRWL08 | 2.70 | 2.80 | 8.0 | 1.75 | 3.5 | 4.00 | 4.00 | 2.00 | 1.50 | 2.00 | |
| TRWL06 | 1.95 | 3.50 | 8.0 | 1.75 | 3.5 | 4.00 | 4.00 | 2.00 | 1.50 | 1.50 | |
| TRWL05 | 1.85 | 2.30 | 8.0 | 1.75 | 3.5 | 4.00 | 4.00 | 2.00 | 1.50 | 1.45 | |
| TRWL03 | 1.12 | 1.85 | 8.0 | 1.75 | 3.5 | 4.00 | 4.00 | 2.00 | 1.50 | 0.96 | |
| TRWL02 | 0.71 | 1.16 | 8.0 | 1.75 | 3.5 | 4.00 | 2.00 | 2.00 | 1.50 | 0.65 | |
| TRWL 系列 - 机械性能试验 | ||
| 项目 | 规格 | 测试方法 |
| 电感值 | 惨照标准电气特性规格书 | HP4291B |
| Q 值 | HP4291B | |
| 共振频率 | HP8753D | |
| 直流阻抗 | Micro-Ohm meter (Gom-801G) | |
| 定格电流 | 加电流至线圈,电感变化量必须小于原始值的10% | |
| 超负荷测试 | 电感没有明显的外表损伤 | 施以两次以五分钟为一周期的额定直流电测量 |
| 耐电压 | 电感没有明显的外表损伤 | 施以500V工作电压至电感端脚一分钟 |
| 绝缘阻抗 | 1000MΩ min | 施以100V工作电压至电感端脚 |
| TRWL 系列 - 电气性能试验 | ||
| 项目 | 规格 | 测试方法 |
| 耐振动试验 | 外观:无损伤 电感值变化率:±5%以内 Q值变化率:±10%以内 |
测试物应焊在基板上 摆动频率:10 to 55 to 10 Hz for 1 min 摆幅:1.5mm 时间:于每一轴向摆动 2hrs (X,Y,Z),共 6hrs |
| 耐焊接热 | 焊接温度:260±5°C 浸入时间:10±2秒 |
|
| 黏着性试验 (拉力试验) |
1 lbs. For 0402 2 lbs. For 0603 3 lbs. For the rest |
物件应焊在镀锡铜板上 (260±5°C 10秒钟)。
震动测试仪应安装在物件一侧。 物件须能承受 2-4 Pounds 而不会松散。 |
| 落下试验 | 无异常现象 | 从每一边及每一角依序释落,共落下十次 落下高度:100厘米 重量:125g |
| 可焊性试验 | 90%覆盖焊锡 | 电感须浸入 235±5°C 溶锡锅内 5 秒钟 |
| 抗溶性测试 | 外观无现损伤 | MIL-STD202F 215D 方法 |
| TRWL 系列 - 气候试验 | ||||||||||||||||
| 项目 | 规格 | 测试方法 | ||||||||||||||
| 温度特性 | 外观:无损伤 电感值变化率:±10%以内 Q值变化率:±20%以内 |
-40°C~+125°C | ||||||||||||||
| 耐温特性 | 温度:40±2°C 相对温度:90~95% 时间:96hrs±2hrs 标准室内时间2小时测量 |
|||||||||||||||
| 低温贮存试验 | 温度:-40±2°C 时间:48±2hrs Inductors are tested after 1 hour at room temperature |
|||||||||||||||
| 热冲击试验 | 一次循环:
|
|||||||||||||||
| 高温贮存试验 | 温度:125±2°C 时间:48±2hrs 标准室内时间1小时测量 |
|||||||||||||||
| 高温负载寿命 | 没有明显开路损伤 | 温度:85±2°C 时间:1000±12hrs 负载∶允许直流电流 |
||||||||||||||
| 湿度负载寿命 | 温度:40±2°C 相对湿度:90~95% 时间:1000±12hrs 负载∶允许直流电流 |
|||||||||||||||
| 注: 储存温度:25±3°C;湿度:<80%RH | ||||||||||||||||
| 绕线电感 TRWL 系列 - 料号标识 | ||||||||||||||||||||||||||||||||||||||||||||||||||||||||||||||||||
| TRWL | 03 | J | T | S | 1N6 | S | ||||||||||||||||||||||||||||||||||||||||||||||||||||||||||||
![]() |
![]() |
![]() |
![]() |
![]() |
![]() |
![]() |
||||||||||||||||||||||||||||||||||||||||||||||||||||||||||||
|
|
|
|
|
|
|
||||||||||||||||||||||||||||||||||||||||||||||||||||||||||||