| 声表面波滤波器/谐振器 封装方式 | |||
| 贴片式 | 插件式 | ||
| 类型 | 代码 | 类型 | 代码 |
| SMP-03 | S1 | TO-39 | D1 |
| SMP-53 | S2 | F-11 | D2 |
| SMP-53-S | S3 | D-11 | D3 |
| QCC8C | S4 | SIP5T | D4 |
| QCC4A | S5 | TO39-2 | D5 |
| QCC8B | S6 | ||
| DCC6 | S7 | ||
| QCC8D | S8 | ||
| DCC6C | S9 | ||
| ARC11A | S10 | ||
| F11SMD | S11 | ||
| SMP-03 - 产品包装尺寸 (单位: mm) | ||||||||
|
||||||||
| 类型 | A | B | C | D | E | F | G | |
| SMP-03 | 7.0 | 5.0 | 2.54 | 1.27 | 1.0 | 0.6 | 1.5 | |
| SMP-53 - 产品包装尺寸 (单位: mm) | |||||||
|
|||||||
| 类型 | A | B | C | D | E | F | |
| SMP-53 | 13.3 | 6.5 | 2.54 | 1.5 | 0.8 | 1.5 | |
| SMP-53-S - 产品包装尺寸 (单位: mm) | |||||||
|
|||||||
| 类型 | A | B | C | D | E | F | |
| SMP-53-S | 13.3 | 6.5 | 1.91 | 1.02 | 1.8 | 1.55 | |
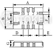
| QCC8C - 产品包装尺寸 (单位: mm) | ||||||||
|
||||||||
| 类型 | A | B | C | D | E | F | G | |
| QCC8C | 2.08 | 0.6 | 2.54 | 1.2 | 1.4 | 5.0 | 5.0 | |
| QCC4A - 产品包装尺寸 (单位: mm) | |||||||
|
|||||||
| 类型 | A | B | C | D | E | F | |
| QCC4A | 1.2 | 0.8×3 | 0.5×4 | 1.4 | 5.0 | 3.5 | |
| QCC8B - 产品包装尺寸 (单位: mm) | ||||||||
|
||||||||
| 类型 | A | B | C | D | E | F | G | |
| QCC8B | 1.27 | 0.6 | 2.54 | 1.0 | 1.5 | 3.8 | 3.8 | |
| DCC6 - 产品包装尺寸 (单位: mm) | ||||||||
|
||||||||
| 类型 | A | B | C | D | E | F | G | |
| DCC6 | 0.64 | 1.9 | 1.27 | 1.0 | 1.4 | 3.8 | 3.8 | |
| QCC8D - 产品包装尺寸 (单位: mm) | |||||||
|
|||||||
| 类型 | A | B | C | D | E | F | |
| QCC8D | 1.2 | 0.6 | 0.75 | 1.1 | 3.0 | 3.0 | |