| 包装数量及卷装规格 (单位: mm) (HVR) | ||||||||||
|
||||||||||
| 料号 | 带宽 | 包装数量 | 卷轴直径 | ΦA | ΦB | ΦC | W | T | ||
| HVR02 | 8mm | 纸带 | 10Kpcs | 7 inch | 178.5±1.5 | 60+1/-0 | 13.0±0.2 | 9.0±0.5 | 12.5±0.2 | |
| 20Kpcs | ||||||||||
| 40Kpcs | 10 inch | 254±1.0 | 100±0.5 | 13.0±0.2 | 9.0±0.5 | 13.5±0.5 | ||||
| HVR03 | 5Kpcs | |||||||||
| HVR05 | 10Kpcs | 13 inch | 330±1.0 | 100±0.5 | 13.0±0.2 | 9.0±0.5 | 13.5±0.5 | |||
| HVR06 | 20Kpcs | |||||||||
| HVR0A | 12mm | 内衬塑胶带 | 4Kpcs | 7 inch | 178.5±1.5 | 60+1/-0 | 13.0±0.5 | 13.0±0.5 | 15.5±0.5 | |
| HVR12 | 8Kpcs | 10 inch | 250±1.0 | 62±0.5 | 13.0±0.5 | 12.5±0.5 | 16.5±0.5 | |||
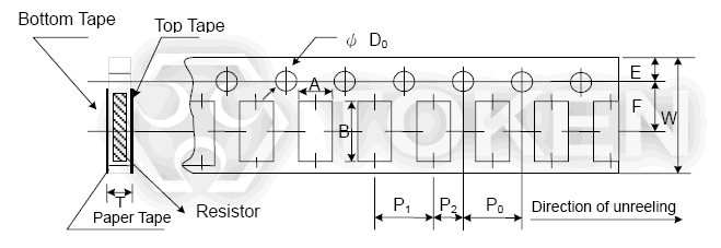
| 纸带尺寸规格 (单位: mm) (HVR) | |||||||||||
|
|||||||||||
| 料号 | A | B | W | E | F | P0 | P1 | P2 | ΦD0 | T | |
| HVR02 | 0.65±0.10 | 1.15±0.10 | 8.0±0.20 | 1.75±0.10 | 3.50±0.05 | 4.00±0.10 | 2.00±0.05 | 2.00±0.05 | 1.55+0.1/-0 | 0.45±0.10 | |
| HVR03 | 1.10±0.10 | 1.90±0.10 | 8.0±0.20 | 1.75±0.10 | 3.50±0.05 | 4.00±0.10 | 4.00±0.05 | 2.00±0.05 | 1.55+0.1/-0 | 0.70±0.10 | |
| HVR05 | 1.60±0.10 | 2.40±0.20 | 8.0±0.20 | 1.75±0.10 | 3.50±0.05 | 4.00±0.10 | 4.00±0.05 | 2.00±0.05 | 1.55+0.1/-0 | 0.85±0.10 | |
| HVR06 | 1.90±0.10 | 3.50±0.20 | 8.0±0.20 | 1.75±0.10 | 3.50±0.05 | 4.00±0.10 | 4.00±0.05 | 2.00±0.05 | 1.55+0.1/-0 | 0.85±0.10 | |
| 内衬塑胶带规格 (单位: mm) (HVR) | |||||||||||
|
|||||||||||
| 料号 | A | B | W | E | F | P0 | P1 | P2 | ΦD0 | T | |
| HVR0A | 2.8±0.20 | 5.5±0.20 | 12.0±0.30 | 1.75±0.10 | 5.5±0.05 | 4.00±0.10 | 4.00±0.10 | 2.00±0.05 | 1.50+0.1/-0 | 1.2 | |
| HVR12 | 3.5±0.20 | 6.7±0.20 | 12.0±0.30 | 1.75±0.10 | 5.5±0.05 | 4.00±0.10 | 4.00±0.10 | 2.00±0.05 | 1.50+0.1/-0 | 1.2 | |
| 料号标识 (HVR) | ||||||||||||||||||||||||||||||||||||||||||||||||||||||||||||||||||||||||||
| HVR | 03 | J | TR | E | V | 1003 | ||||||||||||||||||||||||||||||||||||||||||||||||||||||||||||||||||||
![]() |
![]() |
![]() |
![]() |
![]() |
![]() |
![]() |
||||||||||||||||||||||||||||||||||||||||||||||||||||||||||||||||||||
|
|
|
|
|
|
|
||||||||||||||||||||||||||||||||||||||||||||||||||||||||||||||||||||