Metal Strip Chip Current Sense Resistors (LRC)

DeMint (LRC) metal strip current sense chip resistor save space, time, and cost.

Providing design engineers with an economical low ohmic value, metal strip current sense surface mount resistor with high quality performance, DeMint Electronics LRC Series is suitable for applications in the automotive sector for applications that require high power handling (Up to 3W) and low resistance 0.5mΩ.

From a certified supplier offering the automotive quality, DeMint's LRC Series gives all round superior performance for current sensing in lamp detection, mirrors, window lift, steering and seat controls.

As a first instance, the LRC Series displays enhanced power handling capabilities, against other technologies.

Thermal conductivity is important for chip resistors - little heat is dissipated directly into the air, and instead, is conducted out through the solder pads.

The heat generated from the specially constructed LRC resistor is more readily dispersed, therefore preventing localised heating, which contributes to TCR and thermal EMF errors, premature aging and possible scorching of the PC board.

The current sensing resistors (LRC) are rated for ambient operation from -55°C to +170°C. The LRC Series is RoHS compliant and lead free.

Downloads Complete Specification PDF (415KB) Metal Strip Chip Current Sense Resistors.
Contact us with your specific needs.

Features :
  1. Low TCR ±50PPM/°C, ±100PPM/°C.
  2. High Wattage Rating Up to 3W.
  3. Customized Resistance Available.
  4. Resistance Values from 0.5mΩ to 15mΩ.
  5. Without Laser Trimmed with Very Low Inductance.
Applications :
  1. For NB power management.
  2. For MB power management.
  3. For Monitor power management.
  4. SWPS: DC-DC converter, Charger, Adaptor.
2512 Construction & Dimension (LRC)
Black 2512 - Wave or IR reflow solderingBlack 2512 - Wave or IR reflow soldering
Green 2512 - IR reflow soldering onlyGreen 2512 - IR reflow soldering only

1206 & 2010 Construction (LRC)
1206 & 2010 结构1206 & 2010 Construction
Type Material
0M50 ~ R003 Manganese, Copper
3M5 ~ R010 Aluminum, Iron, Chromium

Chip 2512, 2010, 1206 Dimensions (LRC)
Chip 2512, 2010, 1206 Dimensions (LRC)Chip 2512, 2010, 1206 Dimensions (LRC)
Type Resistance (mΩ) L(mm) W(mm) T(mm) D(mm) Weight(g) / 1000pcs
LRC06*TF0M50 0.50 3.20±0.25 1.60±0.10 0.60±0.20 1.35±0.25 22.6
LRC06*TD0M75 0.75 3.20±0.25 1.60±0.10 0.60±0.20 1.23±0.25 22.6
LRC06*T***** 1.0, 3.5, 4.0, 5.0, 6.0 3.20±0.25 1.60±0.10 0.60±0.20 1.10±0.25 22.6
LRC06*T***** 2.0, 3.0, 10 3.20±0.25 1.60±0.10 0.60±0.20 0.60±0.25 22.6
LRC06*T***** 1.2, 1.5, 7.0, 8.0, 9.0 3.20±0.25 1.60±0.10 0.60±0.20 0.90±0.25 22.6
LRC10*TEA0M50 0.5 5.08±0.25 2.54±0.15 0.60±0.20 2.17±0.25 42.3
LRC10*TDA0M75 0.75 5.08±0.25 2.54±0.15 0.60±0.20 2.04±0.25 42.3
LRC10*TDAR001 1.0 5.08±0.25 2.54±0.15 0.60±0.20 1.84±0.25 42.3
LRC10*TDA**** 2.0, 6.0, 7.0, 8.0 5.08±0.25 2.54±0.15 0.60±0.20 1.54±0.25 42.3
LRC10*TDAR003 3.0 5.08±0.25 2.54±0.15 0.60±0.20 1.04±0.25 42.3
LRC10*TDA**** 4.0, 5.0 5.08±0.25 2.54±0.15 0.60±0.20 1.84±0.25 42.3
LRC10*TDA**** 9.0, 10 5.08±0.25 2.54±0.15 0.60±0.20 1.29±0.25 42.3
LRC12*T**0M50G 0.50 6.35±0.25 3.00±0.20 0.60±0.20 2.68±0.25 59.13
LRC12*T**0M75G 0.75 6.35±0.25 3.00±0.20 0.60±0.20 2.48±0.25 59.13
LRC12*T******G 1.0, 6.0 6.35±0.25 3.00±0.20 0.60±0.20 1.93±0.25 59.13
LRC12*T******G 1.5, 6.5, 7.0 6.35±0.25 3.00±0.20 0.60±0.20 1.43±0.25 59.13
LRC12*T******G 2.0, 2.5, 3.0, 3.5 6.35±0.25 3.00±0.20 0.60±0.20 1.18±0.25 59.13
LRC12*T******G 4.0, 4.5 6.35±0.25 3.00±0.20 0.60±0.20 2.18±0.25 59.13
LRC12*T******G 5.0, 6.0 6.35±0.25 3.00±0.20 0.60±0.20 1.93±0.25 59.13
LRC12*T******G 8.0 - 10 6.35±0.25 3.00±0.20 0.60±0.20 1.18±0.25 59.13
LRC12*T*****G 11 - 15 6.35±0.25 3.00±0.20 0.60±0.20 1.18±0.25 59.13
LRC12*T*0M50 0.50 6.35±0.254 3.18±0.254 1.25±0.20 1.30±0.38 184.11
LRC12*T*0M75 0.75 6.35±0.254 3.18±0.254 0.75±0.20 1.30±0.38 131.11
LRC12*T*R001 1.00 6.35±0.254 3.18±0.254 0.65±0.20 1.30±0.38 110.85
LRC12*T*1M50 1.50 6.35±0.254 3.18±0.254 0.45±0.20 1.30±0.38 67.16
LRC12*T*R002 2.00 6.35±0.254 3.18±0.254 0.35±0.20 1.30±0.38 49.30
LRC12*T*2M50 2.50 6.35±0.254 3.18±0.254 0.65±0.20 1.30±0.38 97.95
LRC12*T*R003 3.00 6.35±0.254 3.18±0.254 0.55±0.20 1.30±0.38 83.49
LRC12*T*R004 4.00 6.35±0.254 3.18±0.254 0.45±0.20 1.30±0.38 62.59
LRC12*T*R005 5.00 6.35±0.254 3.18±0.254 0.35±0.20 1.30±0.38 49.84
LRC12*T*R006 6.00 6.35±0.254 3.18±0.254 0.32±0.20 1.30±0.38 41.76
LRC12*T*6M50 6.50 6.35±0.254 3.18±0.254 0.30±0.20 1.30±0.38 35.85
LRC12*T*R007 7.00 6.35±0.254 3.18±0.254 0.27±0.20 1.30±0.38 34.01
LRC12*T*R010 10.00 6.35±0.254 3.18±0.254 0.25±0.20 1.30±0.38 25.97

Notice : DeMint is capable of manufacturing the optional spec based on customer's requirement.

Standard Electrical Specifications (LRC)
Type Power Rating at 70°C Operating Temp. Range Resistance Tolerance (±%) Resistance (mΩ) TCR (±PPM/°C)
LRC06*TF0M50 1W -55°C ~ +170°C ±1, ±3, ±5 0.5 ±200
LRC06*TD**** 1W 0.75 - 10 ±50
LRC12*TD**** 1W 0.5, 0.75, 1, 1.5, 2 ±50
LRC12*TW**** 1W 6, 6.5, 7 ±75
LRC12*TE**** 1W 4, 5, 10 ±100
LRC12*TK**** 1W 2.5, 3 ±150
LRC12*TD****G 1W 11, 12, 13, 14, 15 ±50

High Power Rating Electrical Specifications (LRC)
Type Power Rating at 70°C Operating Temp. Range Resistance Tolerance (±%) Resistance (mΩ) TCR (±PPM/°C)
LRC10*TEA0M50 1.5W -55°C ~ +170°C ±1, ±3, ±5 0.5 ±100
LRC10*TDA**** 1.5W 0.75 - 10 ±50
LRC12*TDS**** 2W 0.5, 0.75, 1, 1.5, 2 ±50
LRC12*TWS**** 2W 6, 6.5, 7 ±75
LRC12*TES**** 2W 4, 5, 10 ±100
LRC12*TKS**** 2W 2.5, 3 ±150
LR1C2*TDS****G 2W 6.5, 7, 8, 9, 10 ±50
LRC12*TDB****G 2.5W 4, 4.5, 5, 6 ±50
LRC12*TDR****G 3W 1, 1.5, 2, 2.5, 3, 3.5 ±50
LRC12*TER****G 3W 0.5, 0.75 ±100
>Remark : Operating Current I = ( P / R ) , Operating Voltage V = ( P * R )
Environmental Characteristics (LRC)
Item Specification Test Method
Black coating Green coating
Thermal Shock
±0.5%
±1%
-55°C~150°C, 100 cycles. MIL-STD-202 Method 107G
Short Time Overload
±0.5%
±1%
5*Rated Power for 5 seconds. JIS-C-5202-5.5
Endurance
±1%
±1%
70±2°C, Max. working voltage for 1000 hrs with 1.5 hrs and 0.5 hrs
Dry Heat
±1%
±1%
at +170°C for 1000 hrs
Resistance to Soldering Heat
±0.5%
±1%
260±5°C, for 10 seconds. MIL-STD-202F Method 210E
Solderability
95% min coverage
245±5°C for 3 seconds. MIL-STD-202F Method 210E
Temperature Coefficient of Resistance
As Spec.
+25/-55/+25/+125/+25°C. MIL-STD-202 Method 304
  • Rated continuous Working Voltage (RCWV) = Power Rating × Resistance Value (Ω) or Max. Operating voltage whichever is lower.
  • Green coating can't be work with wave soldering bath.
  • Humidity < 80%RH; Storage Temperature: 25±3°C

Soldering Condition (LRC)
IR Reflow SolderingGreen coating ”Reflow Air Convection” is available
Green coating can't be working with wave soldering bath
Power Derating Curve
Power Derating Curve
4-Wire Precision Measurement (LRC)
Figure Type A B C Excitation Current (A) Resistance (Ω)
4-Wire Precision Measurement
4-Wire Precision Measurement
LRC12 Black Coating 1.5 5.4 Φ0.5 3A 0.5m ~ 1.5 m
LRC12 Black Coating 1.5 5.4 Φ0.5 1A 2m ~10m
LRC12 Green Coating 1.5 5.4 Φ0.5 3A 0.5m ~ 1.5m
LRC12 Green Coating 1.5 5.4 Φ0.5 1A 2m ~ 15m
LRC06 1.25 2.6 Φ0.5 3A 0.5m ~ 1.5m
LRC06 1.25 2.6 Φ0.5 1A 2m ~ 10m
LRC10 1.2 4.32 Φ0.5 3A 0.5m ~ 1.5m
LRC10 1.2 4.32 Φ0.5 1A 2m ~ 10m
  • Note: Equipment: ADEX AX-1152D DC Low Ohm Meter

4-Wire Pad Layout (LRC)
Figure Type Resistance (Ω) A B C L
4-Wire Pad Layout (recommended for precision current sensing)
4-Wire Pad Layout
(recommended for precision current sensing)
LRC12 Black Coating - 1.0 2.7 2.95 1.45
LRC12 Green Coating 0M50 3.13 1.2 1.0 0.52
0M75 2.93 1.2 1.0 0.94
R001 2.38 1.2 1.0 2.04
1M5 1.88 1.2 1.0 3.04
R002~3M5 1.63 1.2 1.0 3.54
R004~4M5 2.63 1.2 1.0 1.54
R005~R006 2.38 1.2 1.0 2.04
6M5~R007 1.88 1.2 1.0 3.04
R008~R015 1.63 1.2 1.0 3.54
LRC10 0M50 2.61 1.045 0.8 0.60
0M75 2.49 1.045 0.8 0.80
R001 2.29 1.045 0.8 0.95
R002 1.99 1.045 0.8 1.55
R003 1.49 1.045 0.8 2.55
R004~R005 2.29 1.045 0.8 0.95
R006~R008 1.99 1.045 0.8 1.55
R009~R010 1.74 1.045 0.8 2.05
LRC06 0M50 1.80 0.7 0.5 0.55
0M75 1.68 0.7 0.5 0.55
R001 1.55 0.7 0.5 0.55
1M2 1.35 0.7 0.5 0.95
1M5 1.35 0.7 0.5 1.55
R002~R003 1.05 0.7 0.5 1.55
3M5~R006 1.55 0.7 0.5 0.55
R007~R009 1.35 0.7 0.5 0.95
R010 1.05 0.7 0.5 1.55
  • Note: No circuits between pads to avoid short circuit

2-Wire Pad Layout (LRC)
Figure Type Resistance (Ω) A B L
2-Wire Pad Layout
2-Wire Pad Layout
LRC12 Black Coating - 2.7 3.6 2.95
LRC12 Green Coating 0M50 3.13 3.4 0.52
0M75 2.93 3.4 0.94
R001 2.38 3.4 2.04
1M5 1.88 3.4 3.04
R002~3M5 1.63 3.4 3.54
R004~4M5 2.63 3.4 1.54
R005~R006 2.38 3.4 2.04
6M5~R007 1.88 3.4 3.04
R008~R015 1.63 3.4 3.54
LRC10 0M50 2.61 2.89 0.60
0M75 2.49 2.89 0.80
R001 2.29 2.89 0.95
R002 1.99 2.89 1.55
R003 1.49 2.89 2.55
R004~R005 2.29 2.89 0.95
R006~R008 1.99 2.89 1.55
R009~R010 1.74 2.89 2.05
LRC06 0M50 1.80 1.90 0.55
0M75 1.68 1.90 0.55
R001 1.55 1.90 0.55
1M2 1.35 1.90 0.95
1M5 1.35 1.90 1.55
R002~R003 1.05 1.90 1.55
3M5~R006 1.55 1.90 0.55
R007~R009 1.35 1.90 0.95
R010 1.05 1.90 1.55
  • Note: No circuits between pads to avoid short circuit
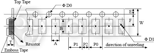
Emboss Plastic Tape Specifications (LRC)
Emboss Plastic Tape SpecificationsEmboss Plastic Tape Specifications
Type Resistance
(mΩ)
A (mm) B (mm) W (mm) E (mm) F (mm) P0 (mm) P1 (mm) P2 (mm) ΦD0 (mm) ΦD1 (mm) T (mm) Quantity
(Pcs)
LRC06 0.5 - 10 1.90±0.1 3.60±0.1 8.0±0.2 1.75±0.1 3.5±0.05 4.0±0.1 4.0±0.1 2.0±0.05 1.55±0.05 1.0min 0.87±0.1 2,000
LRC10 0.5 - 10 2.85±0.1 5.55±0.1 12.0±0.2 1.75±0.1 5.5±0.05 4.0±0.1 4.0±0.1 2.0±0.05 1.55±0.05 1.4min 0.85±0.1 2,000
LRC12 0.50 - 0.75 3.40±0.1 6.75±0.1 12.0±0.1 1.75±0.1 5.5±0.05 4.0±0.1 4.0±0.1 2.0±0.05 1.55±0.05 1.4min. 1.45±0.2 2,000
1 - 10 3.40±0.1 6.75±0.1 12.0±0.1 1.75±0.1 5.5±0.05 4.0±0.1 4.0±0.1 2.0±0.05 1.55±0.05 1.4min. 0.81±0.1 2,000
LR12 (G) 0.50 - 15 3.40±0.1 6.75±0.1 12.0±0.1 1.75±0.1 5.5±0.05 4.0±0.1 4.0±0.1 2.0±0.05 1.55±0.05 1.4min 0.85±0.1 2,000
Order Codes (LRC)
LRC 12 H TR D   R011 G
Part Type
Dimensions
(L×W)(mm)
12 6.3×3.1mm EIA2512
10 5.1×2.5mm EIA2010
06 3.2×1.6mm EIA1206
Resistance
Tolerance
(%)
J ±5%
H ±3%
F ±1%
Package
TR Taping Reel
TCR (PPM/°C)
D ±50PPM/°C
W ±75PPM/°C
E ±100PPM/°C
F ±200PPM/°C
K ±150PPM/°C
Power Rating
  Standard
A 1.5W
S 2W
R 3W
B 2.5W
Resistance (Ω)
0m50 0.00050Ω
0m75 0.00075Ω
1m50 0.00150Ω
R011 0.01100Ω
R002 0.00200Ω
R020 0.02000Ω
Protective Coating
  Black Coating
G Green Coating
**2010/
1206
No coating / marking
Resistance codes example (3 Marking)
Resistance 0.39mΩ 0.5mΩ 0.75mΩ 330mΩ 5.1Ω
Codes M39 M50 M75 R33 5R1

Resistance codes example (4 Marking)
Resistance 1mΩ 1.5mΩ 2mΩ 7mΩ 10mΩ
Codes R001 1M50 R002 R007 R010