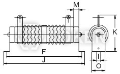
| Dimensions (DQAN 75W ~ 2000W) | ||||||||||||||||
|
||||||||||||||||
| Wattage Rating |
Dimensions (Unit: mm) | Resistance Range |
||||||||||||||
| A | B | C | D | E | F | G | H | I | J | K | L | M | O | |||
| 75W | 110 | 25 | 16 | 30 | 8 | 150 | 5 | 18 | 6 | 166 | 58 | 1.2 | 6 | 27 | 1.5~8Ω | |
| 90W | 90 | 28 | 18 | 32 | 8 | 130 | 5 | 19 | 6 | 146 | 60 | 1.2 | 6 | 27 | 1.5~9Ω | |
| 120W | 110 | 28 | 18 | 32 | 8 | 150 | 5 | 19 | 6 | 166 | 60 | 1.2 | 6 | 27 | 2~12Ω | |
| 150W | 140 | 28 | 18 | 32 | 8 | 180 | 5 | 19 | 6 | 196 | 60 | 1.2 | 6 | 27 | 2~15Ω | |
| 180W | 160 | 28 | 18 | 32 | 8 | 200 | 5 | 19 | 6 | 216 | 60 | 1.2 | 6 | 27 | 3~18Ω | |
| 225W | 195 | 28 | 18 | 32 | 8 | 235 | 5 | 19 | 6 | 251 | 60 | 1.2 | 6 | 27 | 3~23Ω | |
| 240W | 185 | 35 | 24 | 36 | 10 | 225 | 5 | 19 | 8 | 245 | 76 | 1.6 | 6 | 34 | 5~24Ω | |
| 300W | 210 | 35 | 24 | 36 | 10 | 250 | 5 | 19 | 8 | 274 | 76 | 1.6 | 6 | 34 | 5~30Ω | |
| 375W | 210 | 40 | 25 | 38 | 12 | 250 | 5 | 20 | 8 | 274 | 78 | 1.6 | 6 | 34 | 6~38Ω | |
| 450W | 260 | 40 | 25 | 38 | 12 | 300 | 5 | 20 | 8 | 320 | 78 | 1.6 | 6 | 34 | 6~45Ω | |
| 600W | 330 | 40 | 25 | 38 | 12 | 370 | 5 | 20 | 8 | 395 | 78 | 1.6 | 6 | 34 | 7~60Ω | |
| 750W | 330 | 50 | 35 | 50 | 12 | 380 | 6 | 25 | 9 | 400 | 100 | 1.6 | 8 | 40 | 8~75Ω | |
| 900W | 400 | 50 | 35 | 50 | 12 | 450 | 6 | 25 | 9 | 470 | 100 | 1.6 | 8 | 40 | 8~90Ω | |
| 1000W | 460 | 50 | 35 | 50 | 12 | 510 | 6 | 25 | 9 | 530 | 100 | 1.6 | 8 | 40 | 12~100Ω | |
| 1200W | 460 | 60 | 40 | 55 | 15 | 515 | 6 | 30 | 10 | 535 | 110 | 1.6 | 10 | 50 | 12~120Ω | |
| 1500W | 540 | 60 | 40 | 55 | 15 | 595 | 6 | 30 | 10 | 615 | 110 | 1.6 | 10 | 50 | 15~150Ω | |
| 2000W | 650 | 65 | 42 | 62 | 15 | 702 | 6 | 30 | 10 | 722 | 115 | 1.6 | 10 | 50 | 15~200Ω | |
| Dimensions (DQBN 30W ~ 20000W) | ||||||||||||
|
||||||||||||
| Wattage Rating |
Dimensions (Unit: mm) | Resistance Range |
||||||||||
| R | L1 | L2 | L3 | H | N | d | M | q | Q | |||
| 30W | 20 | 70 | 100 | 120 | 50 | 6 | 3.5 | 5 | 5 | 20 | 2~1KΩ | |
| 40W | 20 | 87 | 115 | 137 | 50 | 6 | 3.5 | 5 | 5 | 20 | 2~1KΩ | |
| 50W | 28 | 90 | 115 | 143 | 68 | 9 | 4.5 | 5.5 | 6 | 27 | 5~1KΩ | |
| 80W | 28 | 90 | 115 | 143 | 68 | 9 | 4.5 | 5.5 | 6 | 27 | 5~2KΩ | |
| 100W | 28 | 170 | 195 | 223 | 68 | 9 | 4.5 | 5.5 | 6 | 27 | 10~3KΩ | |
| 150W | 28 | 215 | 240 | 268 | 68 | 9 | 4.5 | 5.5 | 6 | 27 | 10~3KΩ | |
| 200W | 28 | 267 | 292 | 320 | 68 | 9 | 4.5 | 5.5 | 6 | 27 | 10~5KΩ | |
| 250W | 28 | 267 | 292 | 320 | 68 | 9 | 4.5 | 5.5 | 6 | 27 | 10~5KΩ | |
| 300W | 40 | 267 | 300 | 343 | 90 | 10 | 4.5 | 6 | 6 | 39 | 20~5KΩ | |
| 400W | 40 | 330 | 365 | 406 | 90 | 10 | 4.5 | 6 | 6 | 39 | 20~5KΩ | |
| 500W | 50 | 330 | 365 | 415 | 98 | 10 | 6 | 8.5 | 8 | 49 | 20~5KΩ | |
| 600W | 50 | 330 | 365 | 415 | 98 | 10 | 6 | 8.5 | 8 | 49 | 20~5KΩ | |
| 700W | 50 | 400 | 435 | 485 | 95 | 10 | 6 | 8.5 | 8 | 49 | 20~5KΩ | |
| 800W | 70 | 300 | 320 | 362 | 138 | 15 | 8 | - | 8 | 69 | 40~500Ω | |
| 1000W | 70 | 300 | 320 | 362 | 138 | 15 | 8 | - | 8 | 69 | 40~500Ω | |
| 1500W | 70 | 415 | 435 | 477 | 138 | 15 | 8 | - | 8 | 69 | 40~500Ω | |
| 2000W | 70 | 510 | 530 | 572 | 138 | 15 | 8 | - | 8 | 69 | 40~500Ω | |
| 2500W | 70 | 600 | 620 | 662 | 138 | 15 | 8 | - | 8 | 69 | 40~500Ω | |
| 3000W | 70 | 600 | 620 | 662 | 138 | 18 | 8 | - | 8 | 69 | 40~500Ω | |
| 4000W | 100 | 430 | 450 | 521 | 155 | 15 | 8 | - | 8 | 99 | 40~500Ω | |
| 5000W | 100 | 500 | 620 | 691 | 155 | 15 | 8 | - | 8 | 99 | 40~500Ω | |
| 6000W | 100 | 600 | 720 | 791 | 155 | 15 | 8 | - | 8 | 99 | 40~500Ω | |
| 10000W | 150 | 600 | 625 | 720 | 350 | 30 | 8 | - | 10 | 150 | 40~500Ω | |
| 12000W | 150 | 660 | 685 | 780 | 350 | 30 | 8 | - | 10 | 150 | 40~500Ω | |
| 15000W | 150 | 660 | 685 | 780 | 350 | 30 | 8 | - | 10 | 150 | 40~500Ω | |
| 20000W | 150 | 1000 | 1030 | 1120 | 350 | 30 | 8 | - | 10 | 150 | 40~500Ω | |
| Specifications (DQ) | ||
| Test Item | Test Methods | Characteristics |
| Resistance tolerance | JIS-C-5202 5-1 | Resistance |
| Temperature coefficient | JIS-C-5202 5-2 | ±400PPM/°C MAX |
| Load rating | JIS-C-5202 5-4 | ΔR/R≤ ±(0.5%+0.1Ω) Surface temperature up 350°C MAX |
| Short-term overload | JIS-C-5202 5-5 500% rated wattage 5 seconds |
Free of appearance or structural irregularity ΔR/R≤ ±(2%+0.1Ω) |
| Insulation resistance | JIS-C-5202 5-6 500VDC | 100MΩ min |
| Dielectric withstanding voltage | JIS-C-5202 5-7 1000VDC 1 minute Between terminal and anchor stand |
Free of appearance or structural irregularity ΔR/R≤ ±(0.1%+0.05Ω) |
| Terminal strength | JIS-C-5202 6-1 8kg 30 seconds | Free of appearance or structural irregularity |
| Vibration | JIS-C-5202 6-3 1.5m/m 10 ~ 50 ~ 10 Hz/min X-Y-Z 2 hours each |
Free of appearance or structural irregularity Surface coating crack ΔR/R≤ ±(1%+0.05Ω) |
| Thermal shock | JIS-C-5202 7-3 Room temp 30 minutes ON-55°C 15 minutes OFF |
Free of structural irregularity ΔR/R≤ ±(1%+0.05Ω) |
| Humidity | JIS-C-5202 7-5 40°C 90%RH 240 hours |
Free of appearance or structural irregularity Surface coating crack ΔR/R≤ ±(3%+0.1Ω) |
| Load life | JIS-C-5202 7-10 90 minutes ON - 30 minutes OFF500 hours |
Free of appearance or structural irregularity Surface coating crack ΔR/R≤ ±(5%+0.1Ω) |
| Flame retardation | JIS-C-5202 7-13-3-2 100% - 600% rated wattage load |
US UL-94 flame retardation test V-0 grade noncombustible |
| REMARKS: | 1. Resistance and resistance tolerance were tested in-house with micro resistance meter. 2. Coating refers to UL-certified data provided by supplier |
|
| Order Codes (DQ) | ||||||||||||||||||||||||||||||||||||||||||||
| DQA | 1500W | 100R | K | G | ||||||||||||||||||||||||||||||||||||||||
![]() | ![]() | ![]() | ![]() | ![]() | ||||||||||||||||||||||||||||||||||||||||
|
|
|
|
|
||||||||||||||||||||||||||||||||||||||||