Pagination: 1/2

Wave-Shape Ribbon-Wound Power Resistors (DQ)

Wave-Shape Ribbon-Wound Power Resistors (DQ)

(DQ) Wave-shape ribbon-wound power resistor design neutralizes inductance parasitoid.

Power Wave-Shape Ribwound Resistor supports the use of numerous taps, has low impedance, and can be fabricated in various shapes to support a wide range of applications. The DQ Series is RoHS compliant and lead free. For custom specifications, or order individual replacement units, entire grids with various mounting configurations, please contact us to discuss the details.

Downloads complete PDF version Wave Wirewound Tubular Power Resistor (DQ).

Construction:
  1. A tubular ceramic has two terminals, and is wound with a resistance element consisting of a wave-shaped alloy ribbon.
  2. Terminal bands are spot welded after installation on the core and then a resistance-alloy ribbon wire is crimped and edgewound onto the core.
  3. Non-flammable resin insulation is applied after cooling and drying through a temperature process and then the component mounts are attached.
  4. The resistance value range is relatively low due to alloy material limitations; see the DR series if upper resistance values required.
Features:
  1. Fixed, tapped styles, or adjustable type are available.
  2. Special terminals are available for unusual applications.
  3. Special tolerances, temperature coefficients, and resistance value can be specified.
  4. Ayrton Perry type non-inductive winding formats are available. See DQS Series when requied.
  5. Standard resistance tolerance is H(±3%), J(±5%) and K(±10%). Closer tolerances are available upon request.
  6. The wire is spot welded to the terminal bands and then "fastened" onto the core with a silicone, cement, or vitreous enamel coating.
  7. Standard lug terminals available with or without terminal hardware. Single and double quick connect terminals can be specified.
  8. DQ Series Design allows for efficient heat dissipation at higher temperature ranges so the resistor is half the physical size of an equivalent rated roundwire resistor.
Applications:
  1. The Power Ribwound DQ Series is suitable for educational modeling applications, load testing, industrial machinery resistor, electric power distribution resistors, instruments, automation control installations, lift trucks, overhead cranes, elevator resistors, arc and spot welders, battery charger resistors, machine tools, conveyor resistors, and UPS systems.
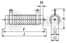
Dimensions Rib-Wound (DQ-A 75W ~ 2000W)
(DQ-A)
(DQ-A) N - No Mount
(DQ-A)
(DQ-A) G - Horizontal Mount
Wattage
Rating
Dimensions (Unit: mm) Resistance
Range
A B C D E F G H I J K L M O
75W 110 25 16 30 8 150 5 18 6 166 58 1.2 6 27 1.5~8Ω
90W 90 28 18 32 8 130 5 19 6 146 60 1.2 6 27 1.5~9Ω
120W 110 28 18 32 8 150 5 19 6 166 60 1.2 6 27 2~12Ω
150W 140 28 18 32 8 180 5 19 6 196 60 1.2 6 27 2~15Ω
180W 160 28 18 32 8 200 5 19 6 216 60 1.2 6 27 3~18Ω
225W 195 28 18 32 8 235 5 19 6 251 60 1.2 6 27 3~23Ω
240W 185 35 24 36 10 225 5 19 8 245 76 1.6 6 34 5~24Ω
300W 210 35 24 36 10 250 5 19 8 274 76 1.6 6 34 5~30Ω
375W 210 40 25 38 12 250 5 20 8 274 78 1.6 6 34 6~38Ω
450W 260 40 25 38 12 300 5 20 8 320 78 1.6 6 34 6~45Ω
600W 330 40 25 38 12 370 5 20 8 395 78 1.6 6 34 7~60Ω
750W 330 50 35 50 12 380 6 25 9 400 100 1.6 8 40 8~75Ω
900W 400 50 35 50 12 450 6 25 9 470 100 1.6 8 40 8~90Ω
1000W 460 50 35 50 12 510 6 25 9 530 100 1.6 8 40 12~100Ω
1200W 460 60 40 55 15 515 6 30 10 535 110 1.6 10 50 12~120Ω
1500W 540 60 40 55 15 595 6 30 10 615 110 1.6 10 50 15~150Ω
2000W 650 65 42 62 15 702 6 30 10 722 115 1.6 10 50 15~200Ω
Dimensions Rib-Wound (DQ-B 30W ~ 20000W)
(DQ-B)
(DQ-B) N - No Mount
(DQ-B)
(DQ-B) Z - Vertical Mount
(DQ-B)
(DQ-B) G - Horizontal Mount
Wattage
Rating
Dimensions (Unit: mm) Resistance
Range
R L1 L2 L3 H N d M q Q
30W 20 70 100 120 50 6 3.5 5 5 20 2~1KΩ
40W 20 87 115 137 50 6 3.5 5 5 20 2~1KΩ
50W 28 90 115 143 68 9 4.5 5.5 6 27 5~1KΩ
80W 28 90 115 143 68 9 4.5 5.5 6 27 5~2KΩ
100W 28 170 195 223 68 9 4.5 5.5 6 27 10~3KΩ
150W 28 215 240 268 68 9 4.5 5.5 6 27 10~3KΩ
200W 28 267 292 320 68 9 4.5 5.5 6 27 10~5KΩ
250W 28 267 292 320 68 9 4.5 5.5 6 27 10~5KΩ
300W 40 267 300 343 90 10 4.5 6 6 39 20~5KΩ
400W 40 330 365 406 90 10 4.5 6 6 39 20~5KΩ
500W 50 330 365 415 98 10 6 8.5 8 49 20~5KΩ
600W 50 330 365 415 98 10 6 8.5 8 49 20~5KΩ
700W 50 400 435 485 95 10 6 8.5 8 49 20~5KΩ
800W 70 300 320 362 138 15 8 - 8 69 40~500Ω
1000W 70 300 320 362 138 15 8 - 8 69 40~500Ω
1500W 70 415 435 477 138 15 8 - 8 69 40~500Ω
2000W 70 510 530 572 138 15 8 - 8 69 40~500Ω
2500W 70 600 620 662 138 15 8 - 8 69 40~500Ω
3000W 70 600 620 662 138 18 8 - 8 69 40~500Ω
4000W 100 430 450 521 155 15 8 - 8 99 40~500Ω
5000W 100 500 538 591 155 15 8 - 8 99 40~500Ω
6000W 100 600 638 691 155 15 8 - 8 99 40~500Ω
10000W 150 600 625 720 350 30 8 - 10 150 40~500Ω
12000W 150 660 685 780 350 30 8 - 10 150 40~500Ω
15000W 150 660 685 780 350 30 8 - 10 150 40~500Ω
20000W 150 1000 1030 1120 350 30 8 - 10 150 40~500Ω
Order Codes (DQ)
DQA 1500W 100R K G
Part Number
DQA
DQB
DQAN
DQBN
Rated Power (W)
75W~2000W
30W~20000W
75W~2000W
30W~20000W
Resistance Value
0R1 0.1Ω
1R
10R 10Ω
12R 12Ω
100R 100Ω
Resistance Tolerance (%)
H ±3%
J ±5%
K ±10%
Assembly Method
N No mount.
C Clip mount.
G Horizontal mount.
Z Vertical mount.